- Rupture de stock
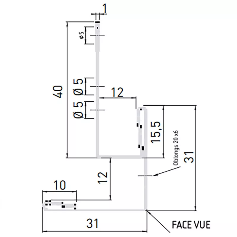
Profil linteau et départ pose verticale Hardie® VL Plank
Le profil linteau et départ pour pose verticale des lames Hardie® VL Plank assure le recouvrement des linteaux de fenêtres ainsi que l'utilisation comme profil de départ en pose verticale lors de la mise en oeuvre de lames de bardage extérieur en ciment composite par emboitement Hardie® VL Plank. 100% aluminium laqué, il apporte une finition esthétique à votre bardage extérieur.

Pour lame de bardage en ciment composite Hardie® VL Plank. Profil de recouvrement des linteaux de fenêtre. Le profil sert également à assurer le soutien de la première lame en pose verticale pour une pose aisée et parfaite.
Les perforations du profil favorisent la ventilation du bardage ainsi que l'écoulement de l'eau.
Dimensions profil : 3000 mm
Section : 31x31 mm
Conditionné par multiple de 5 profils.
100% aluminium.
Laqué pour être assorti aux coloris de vos clins Hardie® VL Plank : Gris anthracite, Blanc articque, Brume du matin, Brun khaki, Sable clair, Gris ardoise, Noir minuit, Marron noisette.
Une gamme de profils et de vis est disponible :
Vis acier inoxydable A2 / Profil départ pose horizontale / Profil linteau et départ pose verticale / Profil angle sortant et retour tableau

100% aluminium, laqué suivant coloris de votre lame pour une finition esthétique de votre bardage en lame ciment composite Hardie® VL Plank.
Le profil recouvre parfaitement la lame pour assurer une parfaite finition de vos linteaux de fenêtre et départ de pose verticale.
Grâce à son système d'emboitement simplifié, le ciment composite Hardie® VL Plank peut être installé bien plus rapidement (jusqu'à 67% de gain de temps lors de l'installation) et permettant une pose horizontale et/ou verticale.
Hardie® VL Plank est garantie 15 ans.

Les lames de ciment composite de la gamme Hardie® VL Plank sont la référence favorite des constructeurs, propriétaires de maisons individuelles et des architectes.
Hardie® VL Plank est utilisé pour l'habillage de façades ventilées, destiné aux constructions neuves ou en rénovations et s'adaptant aux différents styles régionaux.
Voir toutes les solutions SUNCLEAR sur le bardage composite.
Vous pourriez aussi aimer